UCP連座軸承,也稱為立式球軸承或簡稱帶座球軸承,是一種常用於各種工業應用中的軸承單元,為軸提供支撐和平滑旋轉。 它的設計易於安裝和維護,在軸需要牢固安裝和對齊的情況下特別有用。
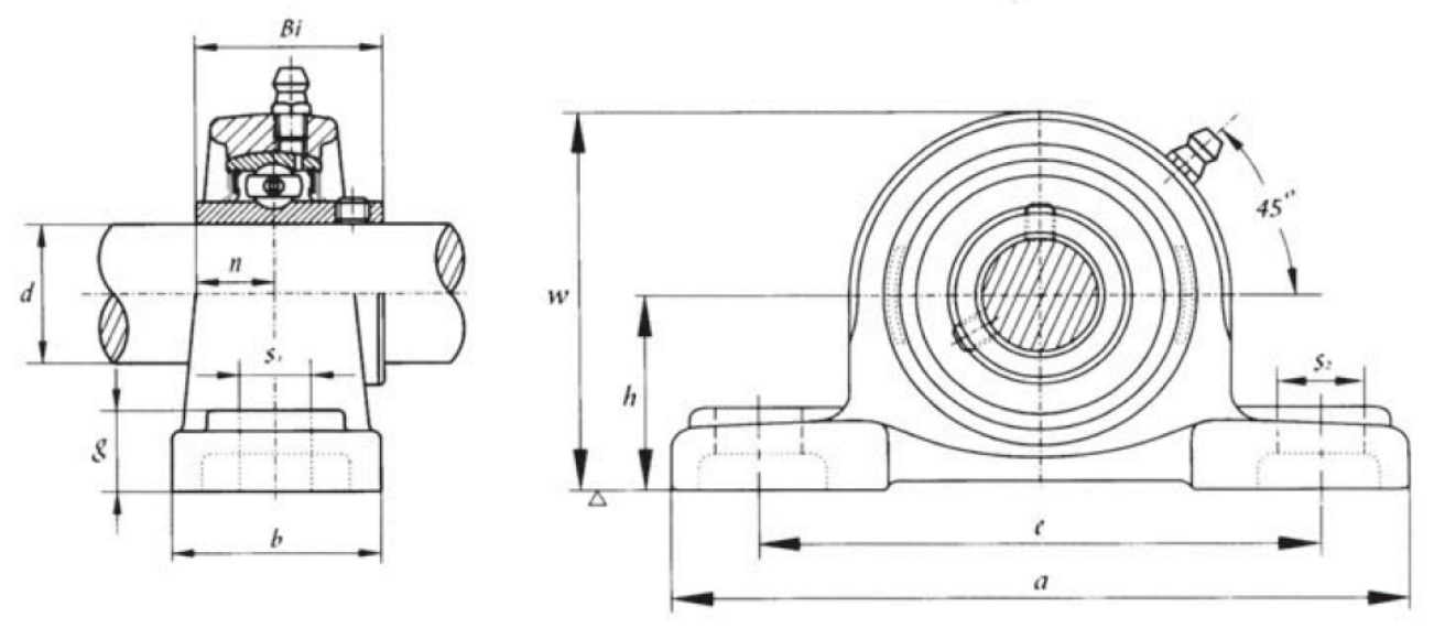
型號 Bearing No. | 外形尺寸 Boundary dimensions |
|
| d | h | a | e | b | S2 | S1 | g | w | Bi | n | 螺栓 |
| mm |
| UCP201 | 12 | 30.2 | 127 | 96 | 38 | 19 | 13 | 15 | 62 | 31 | 12.7 | M10 |
| UCP202 | 15 | 30.2 | 127 | 96 | 38 | 19 | 13 | 15 | 62 | 31 | 12.7 | M10 |
| UCP203 | 17 | 30.2 | 127 | 96 | 38 | 19 | 13 | 15 | 62 | 31 | 12.7 | M10 |
| UCP204 | 20 | 33.3 | 127 | 96 | 38 | 19 | 13 | 15 | 65 | 31 | 12.7 | M10 |
| UCP205 | 25 | 36.5 | 140 | 105 | 38 | 19 | 13 | 16 | 70 | 34 | 14.3 | M10 |
| UCP206 | 30 | 42.9 | 165 | 121 | 48 | 21 | 17 | 18 | 83 | 38.1 | 15.9 | M14 |
| UCP207 | 35 | 47.6 | 167 | 126 | 48 | 21 | 17 | 19 | 92 | 42.9 | 17.5 | M14 |
| UCP208 | 40 | 49.2 | 184 | 136 | 54 | 21 | 17 | 19 | 98 | 49.2 | 19 | M14 |
| UCP209 | 45 | 54 | 190 | 146 | 54 | 21 | 17 | 20 | 106 | 49.2 | 19 | M14 |
| UCP210 | 50 | 57.2 | 206 | 159 | 60 | 25 | 20 | 22 | 112 | 51.6 | 19 | M16 |
| UCP211 | 55 | 63.5 | 219 | 172 | 60 | 25 | 20 | 22 | 126 | 55.6 | 22.2 | M16 |
| UCP212 | 60 | 69.8 | 241 | 186 | 70 | 25 | 20 | 25 | 137 | 65.1 | 25.4 | M16 |
| UCP213 | 65 | 76.2 | 265 | 203 | 70 | 29 | 25 | 27 | 150 | 65.1 | 25.4 | M20 |
| UCP214 | 70 | 79.4 | 266 | 210 | 72 | 30 | 25 | 27 | 156 | 74.6 | 30.2 | M20 |
| UCP215 | 75 | 82.6 | 275 | 217 | 74 | 30 | 25 | 28 | 163 | 77.8 | 33.3 | M20 |
| UCP216 | 80 | 88.9 | 292 | 232 | 78 | 28 | 25 | 30 | 175 | 82.6 | 33.3 | M20 |
| UCP217 | 85 | 95.2 | 310 | 247 | 83 | 30 | 25 | 32 | 187 | 85.7 | 34.1 | M20 |
| UCP218 | 90 | 101.6 | 327 | 262 | 88 | 30 | 27 | 34 | 200 | 96 | 39.7 | M22 |